top of page

SEGA Game Gear VA1

Here you will find repair resources for the SEGA Game Gear VA1 model. Currently there is still some work-in-progress for the schematics, but we will keep updating it!

​

​

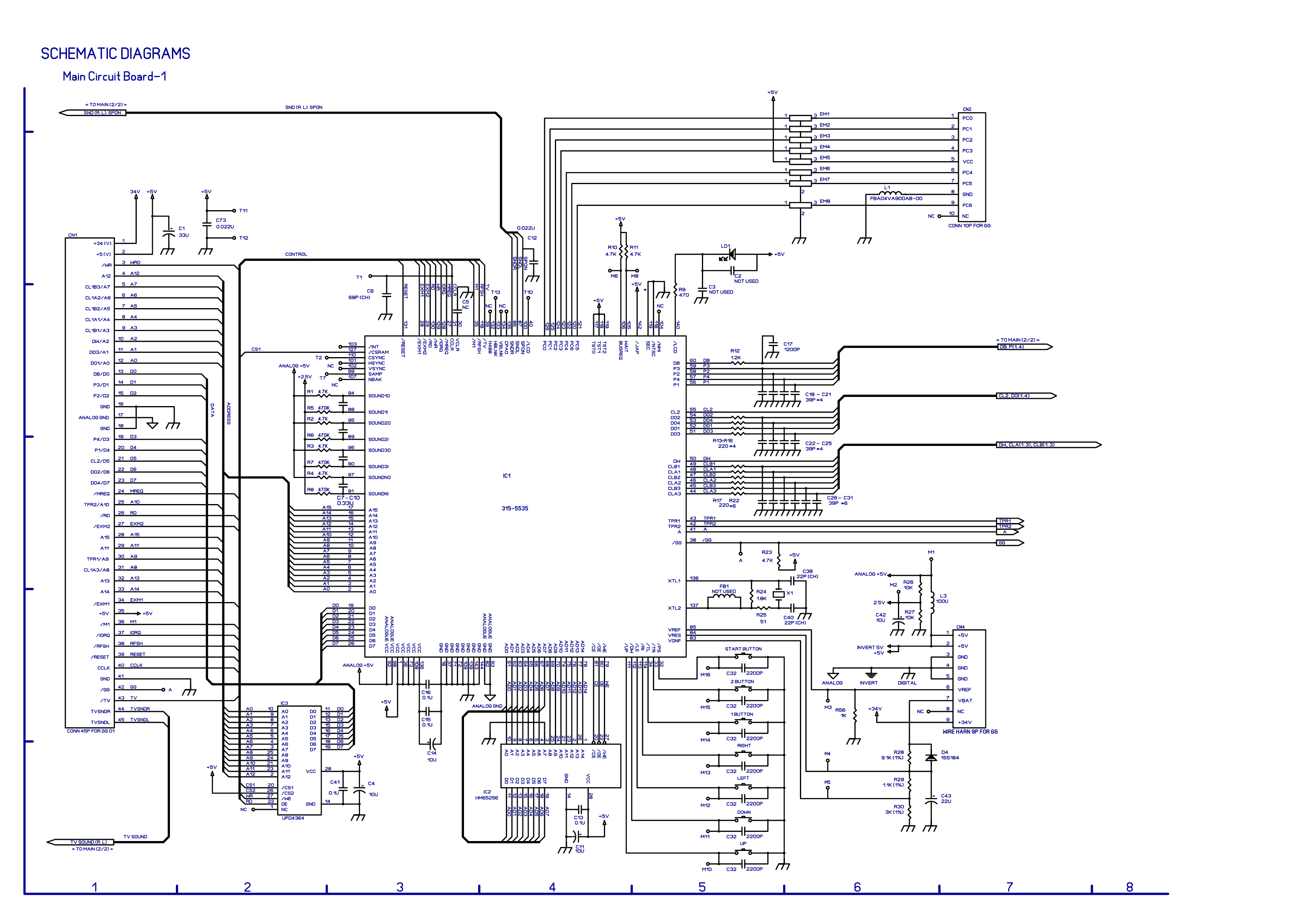
GAME GEAR VA1 SCHEMATICS MAIN CIRCUIT BOARD-1_LOW.GIF

GAME GEAR MAIN EUROPE VA1 837-9130 Board scans

GAME GEAR MAIN EUROPE VA1 837-9130 TOP.jpg
GAME GEAR MAIN EUROPE VA1 837-9130 BOTTOM.jpg

GAME GEAR MAIN USA VA1 837-9024 Board scans

GAME GEAR MAIN USA VA1 837-9024 TOP_low.jpg
GAME GEAR MAIN USA VA1 837-9024 BOTTOM_low.jpg

SYF - repairing the unrepairable

  • alt.text.label.Instagram

©2022 by SYF - repairing the unrepairable.

bottom of page